Cadrans de précision types 600 et 700

Les cardans de précision simples et doubles des séries 600 et 700 complètent la gamme des accouplements AXL (accouplements SOUFFLEX, TORFLEX, TANFLEX, SORFLEX, joints universels série 200, etc…)
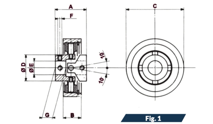
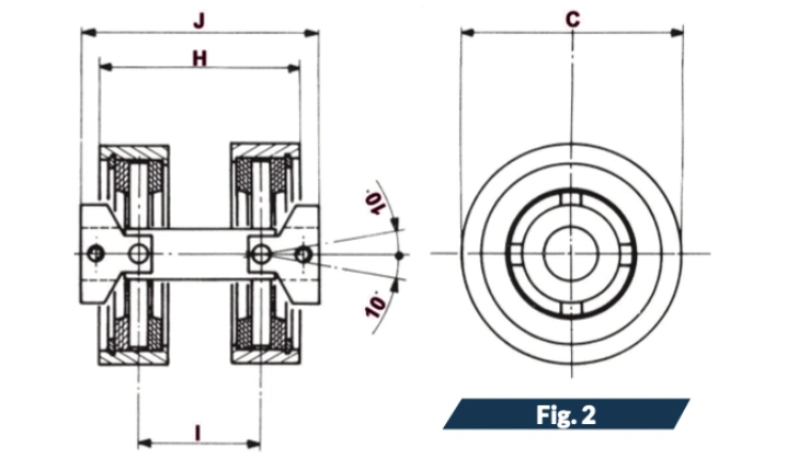
Les cardans de ces séries sont caractérisés par une fabrication de précision et, en particulier, par la suppression de tout jeu entre l’axe meneur et l’axe mené ; ce résultat étant obtenu par un montage particulier avec rattrapage automatique du jeu dans les paliers qui supportent les tourillons des noix du cardan (Brevet n° 7700377).
Les caractéristiques des différents cardans sont réunies dans les tableaux ci-dessous.
Les cotes A, B, C, D, E, F et G, sont les mêmes pour les cardans de la série 600 et de la série 700.
NOTA : Sur demande, dans une même série, on peut prévoir des diamètres différents pour l’arbre meneur et l’arbre mené.
TYPE 600 (simple)

TYPE 700 (double)

| Référence | A | B | C | ØD | ØE_H8 | F | G | Ncm max |
|---|---|---|---|---|---|---|---|---|
| 622 Ø3 | 19 | 8.0 | 22 | 12 | 3.0 | M2,5 | 6 | 30 |
| 622 Ø3,17 | 19 | 8.0 | 22 | 12 | 3.17 | M2,5 | 6 | 30 |
| 622 Ø4 | 19 | 8.0 | 22 | 12 | 4.0 | M2,5 | 6 | 30 |
| 622 Ø5 | 19 | 8.0 | 22 | 12 | 5.0 | M3 | 6 | 30 |
| 622 Ø6 | 19 | 8.0 | 22 | 12 | 6.0 | M3 | 6 | 30 |
| 633 Ø6 | 22 | 11.0 | 33 | 14 | 6.0 | M3 | 6 | 100 |
| 633 Ø6,35 | 22 | 11.0 | 33 | 14 | 6.35 | M3 | 6 | 100 |
| 633 Ø7 | 22 | 11.0 | 33 | 14 | 7.0 | M3 | 6 | 100 |
| 633 Ø8 | 22 | 11.0 | 33 | 14 | 8.0 | M3 | 6 | 100 |
| 653 Ø10 | 28 | 16.5 | 53 | 22 | 10.0 | M5 | 9 | 540 |
| 653 Ø12 | 28 | 16.5 | 53 | 22 | 12.0 | M5 | 9 | 540 |
| 653 Ø14 | 28 | 16.5 | 53 | 22 | 14.0 | M5 | 9 | 540 |
| Référence | H | I | J | Ncm max |
|---|---|---|---|---|
| 722 Ø3 | 38.4 | 28 | 47 | 30 |
| 722 Ø3,17 | 38.4 | 28 | 47 | 30 |
| 722 Ø4 | 38.4 | 28 | 47 | 30 |
| 722 Ø5 | 38.4 | 28 | 47 | 30 |
| 722 Ø6 | 38.4 | 28 | 47 | 30 |
| 733 Ø6 | 44.6 | 32 | 54 | 100 |
| 733 Ø6,35 | 44.6 | 32 | 54 | 100 |
| 733 Ø7 | 44.6 | 32 | 54 | 100 |
| 733 Ø8 | 44.6 | 32 | 54 | 100 |
| 753 Ø10 | 59.0 | 40 | 68 | 540 |
| 753 Ø12 | 59.0 | 40 | 68 | 540 |
| 753 Ø14 | 59.0 | 40 | 68 | 540 |
