Accouplements miniatures « TORFLEX »

Image accouplements miniatures torflex par Accessoires électroniques
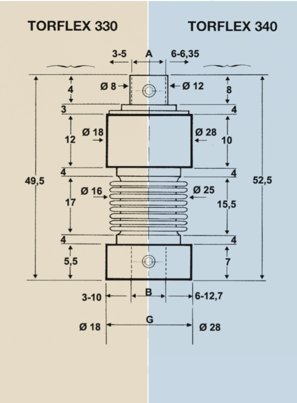
TORFLEX 330TORFLEX 340
Diamétre extérieurØ 18 Ø 28
Longueur49,552,5
Couple maximum / (avant déclenchement)30 Ncm150 Ncm

Limiteur de couple
associé à un soufflex nickel

Schéma accouplements miniatures torflex par Accessoires électroniques
RéférencesØ233,1744,75566,35899,53101212,71314151618
TF 330A
B
TF 340A
B

◊= Standard                                                                                                           Si B>12,7 G ≥ 30

PERFORMANCES

Les qualités du SOUFFLEX nickel associé au limiteur de couple régtable de 0 à 150 Ncm, apportent toute sécurité au systéme dans lequel il est incorporé.

Schéma accouplements miniatures torflex par Accessoires électroniques
RéférencesMouvement / AXIAL / mmDébattement / ANGULAIRE / DegréMésalignement / LATERAL / mmCouple / maximum / Ncm
TF 3304 (±2)140,7030
TF 3404 (±2)80,50150